15603181870
amy@chnhose.com
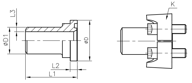
轻/重系列法兰 ISO 6162焊接管
| PART NO. | FLANGE SIZE | DIMENSIONS | BOLT | WORKING PRESSURE | PRESSURE | |||||
| D1 | L1 | L2 | L3 | D | K | |||||
| 1FLW-08-20×3.0 1FLW-08-21.3×2.6 1FLW-08-22×2.0 1FLW-12-22×2.0 1FLW-12-25×3.0 1FLW-12-26.9×3.6 1FLW-16-30×4.0 1FLW-16-33.7×3.2 1FLW-16-35×4.0 1FLW-20-38×4.0 1FLW-20-42×3.0 1FLW-20-42.3×3.2 1FLW-24-38×4.0 1FLW-24-42×3.0 1FLW-24-48.3×4.5 1FLW-32-42.3×3.2 1FLW-32-48.3×3.2 1FLW-32-60.3×5.6 1FLW-48-76.1×3.6 1FLW-48-76.1×7.1 1FLW-48-88.9×3.6 1FLW-56-76.1×3.6 1FLW-56-88.9×3.6 1FSW-08-16×2.5 1FSW-08-20×3.0 1FSW-08-21.3×4.5 1FSW-12-20×3.0 1FSW-12-26×4.0 1FSW-12-26.9×5.6 1FSW-16-25×4.0 1FSW-16-30×4.0 1FSW-16-33.7×7.1 1FSW-20-30×4.0 1FSW-20-38×5.0 1FSW-20-42.4×8.8 1FSW-24-38×5.0 1FSW-24-48.3×8.0 1FSW-24-48.3×8.8 1FSW-32-60.3×10.0 1FSW-32-60.3×12.5 |
1/2″ 1/2″ 1/2″ 3/4″ 3/4″ 3/4″ 1″ 1″ 1″ 1.1/4″ 1.1/4″ 1.1/4″ 1.1/2″ 1.1/2″ 1.1/2″ 2″ 2″ 2″ 3″ 3″ 3″ 3.1/2″ 3.1/2″ 1/2″ 1/2″ 1/2″ 3/4″ 3/4″ 3/4″ 1″ 1° 1″ 1.1/4″ 1.1/4″ 1.1/4″ 1.1/2″ 1.1/2″ 1.1/2″ 2″ 2″ |
20 21.3 22 22 25 26.9 30 33.7 35 38 42 42.3 38 42 48.3 42.3 48.3 60.3 76.1 76.1 88.9 76.1 88.9 16 20 21.3 20 26 26.9 25 30 33.7 30 38 42.4 38 48.3 48.3 60.3 60.3 |
30 30 30 35 35 35 40 40 40 45 45 45 50 50 50 60 60 60 70 70 70 80 80 40 40 40 45 45 45 50 50 50 55 55 55 60 60 60 70 70 |
6.73 6.73 6.73 6.73 6.73 6.73 8 8 8 8 8 8 8 8 8 9.53 9.53 9.53 9.53 9.53 9.53 11.23| 11.23| 7.75 7.75 7.75 8.76 8.76 8.76 9.53 9.53 9.53 10.29| 10.29| 10.29 12.57| 12.57 12.57 12.57| 12.57 |
3 2.6 2 2 3 3.6 4 3.2 4 4 3 3.2 4 3 4.5 3.2 3.2 5.6 3.6 7.1 3.6 3.6 3.6 2.5 3 4.5 3 4 5.6 4 4 7.1 4 5 8.8 5 8 8.8 10 12.5 |
30.1 30.1 30.1 38.1 38.1 38.1 44.4 44.4 44.4 50.8 50.8 50.8 60.3 60.3 60.3 71 71 71 101.6| 101.6| 101.6| 114.3| 114.3| 31.7 31.7 31.7 41.3 41.3 41.3 47.6 47.6 47.6 54 54 54 63.5 63.5 63.5 79.4 79.4 |
FL-08 FL-08 FL-08 FL-12 FL-12 FL-12 FL-16 FL-16 FL-16 FL-20 FL-20 FL-20 FL-24 FL-24 FL-24 FL-32 FL-32 FL-32 FL-48 FL-48 FL-48 FL-56 FL-56 FS-08 FS-08 FS-08 FS-12 FS-12 FS-12 FS-16 FS-16 FS-16 FS-20 FS-20 FS-20 FS-24 FS-24 FS-24 FS-32 FS-32 |
M8X25 M8X25 M8X25 M10X30 M10X30 M10X30 M10X30 M10X30 M10X30 M10X35 M10X35 M10X35 M12X35 M12X35 M12X35 M12X35 M12X35 M12X35 M16X45 M16X45 M16X45 M16X50 M16X50 M8X30 M8X30 M8X30 M10X35 M10X35 M10X35 M12X45 M12X45 M12X45 M14X50 M14X50 M14X50 M16X55 M16X55 M16X55 M20X70 M20X70 |
34.5 34.5 34.5 34.5 34.5 34.5 34.5 34.5 34.5 27.6 27.6 27.6 20.7 20.7 20.7 20.7 20.7 20.7 13.8 13.8 13.8 3.4 3.4 41.4 41.4 41.4 41.4 41.4 41.4 41.4 41.4 41.4 41.4 41.4 41.4 41.4 41.4 41.4 41.4 41.4 |
3000PSI 3000PSI 3000PSI 3000PSI 3000PSI 3000PSI 3000PSI 3000PSI 3000PSI 3000PSI 3000PSI 3000PSI 3000PSI 3000PSI 3000PSI 3000PSI 3000PSI 3000PSI 3000PSI 3000PSI 3000PSI 3000PSI 3000PSI 6000PSI 6000PSI 6000PSI 6000PSI 6000PSI 6000PSI 6000PSI 6000PSI 6000PSI 6000PSI 6000PSI 6000PSI 6000PSI 6000PSI 6000PSI 6000PSI 6000PSI |