15603181870
amy@chnhose.com
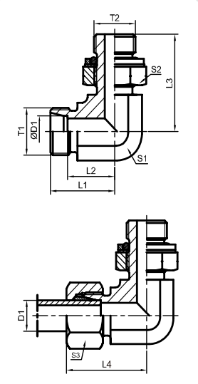
90°弯英管螺纹可调向O型圈密封柱端
| PART NO. | THREAD | TUBE O.D | DIMENSIONS | WEIGHT | WORKING PRESSURE | SERIES | |||||||
| T1 | T2 | D1 | L1 | L2 | L3 | L4 | 1 | S2 | S3 | g/pc | (Bar) | ||
| 1CG9-14-04OG 1CG9-16-04OG 1CG9-18-06OG 1CG9-22-08OG 1CG9-26-08OG 1CG9-30-12OG 1CG9-36-16OG 1CG9-45-20OG 1CG9-52-24OG 1DG9-14-04OG 1DG9-16-04OG 1DG9-18-06OG 1DG9-20-06OG 1DG9_22-08OG 1DG9-24-08OG 1DG9-30-12OG 1DG9-36-16OG 1DG9-42-20OG 1DG9_52-24OG |
M14x1.5 M16x1.5 M18x1.5 M22x1.5 M26x1.5 M30x2 M36x2 M45x2 M52x2 M14x1.5 M16x1.5 M18x1.5 M20x1.5 M22x1.5 M24x1.5 M30x2 M36x2 M42x2 M52x2 |
G1/4″x19 G1/4″x19 G3/8″x19 G1/2″x14 G1/2″x14 G3/4″x14 G1″x11 G1.1/4″x11 G1.1/2″x11 G1/4″x19 G1/4″x19 G3/8″x19 G3/8″x19 G1/2″x14 G1/2″x14 G3/4″x14 G1″x11 G1.1/4″x11 G1.1/2″x11 |
8 10 12 15 18 22 28 35 42 6 8 10 12 14 16 20 25 30 38 |
23 24 26 28 31 35 38 48 49 22 24 25 29 30 33 38 42 49 50 |
16 17 19 21 24 28 31 38 38 15 17 18 22 22 25 28 30 36 34 |
32 34 37 43 49 49 59 65 67 32 36 38 38 43.2 49 51 58 64 70 |
31 32 34 36 40 44 47 59 61 30 32 34 38 40 43 49 54 62 65 |
14 19 19 22 27 30 36 50 50 14 19 19 22 22 27 30 36 50 50 |
19 19 22 27 27 36 41 50 55 19 19 22 22 27 27 36 41 50 55 |
17 19 22 27 32 36 41 50 60 17 19 22 24 27 30 36 46 50 60 |
59 82 96 149 221 310 455 1043 994 56 88 98 128 147 234 344 533 1085 111 |
315 315 250 250 250 160 160 160 160 315 315 250 250 250 250 250 250 160 6160 |
L L L L L L L L L S S S S S S S S S S |
注:如需带卡套和卡套螺母整套订货,则请在代号后面加 “RN” 如 1DG9-20-06OG/RN; 需搭配挡圈请在代号后加“DQ” 例如 1DG9-20-06OGDQ